Programmable Hardware

BIG PICTURE

Programmable hardware (FPGAs) bridges the gap between the high performance of ASICs and the flexibility of software processors. Understanding the internal Lookup Table (LUT) architecture and routing fabric is crucial for optimizing timing, area, and power in embedded designs.

Multicolumn

Blank

Hardware Choices

Concept Explainer:
Embedded systems rely on three main hardware types.

  • Processors ease of programming but lower performance.
  • ASICs (Application Specific Integrated Circuits): maximum performance and efficiency but permanent (high NRE cost).
  • FPGAs (Field Programmable Gate Arrays) offer reconfigurability and parallelism, sitting between the two.
FeatureProcessorFPGAASIC
FlexibilityHigh (Software)High (Hardware)None
PerformanceLowMedium/HighVery High
Time to MarketFastMediumSlow
Unit CostLowHighLow (at volume)

Evolution of PLDs

Logic Synthesis via Sum of Products

Any combinational logic can be expressed as a Sum of Products (SoP). This is the canonical form


center
Digital electronics

Concept Explainer:
Simple Programmable Logic Devices (SPLDs) like PALs and PLAs evolved into CPLDs and finally FPGAs.
PAL (Programmable Array Logic): Programmable AND, Fixed OR. (programmed with fuses)
PLA (Programmable Logic Array): Programmable AND, Programmable OR.
GAL: Same as PAL but uses FG-MOSFETs to program the logic
center
center
PLD : Add D-flipflop for sequential logic center This is a macrocell
CPLD (Complex PLD): Macrocells (SPLDs) connected by a central routing array
The routing array is a matrix of connections from macro-cells to macro-cells and outside. Each cross point has a switch
βœ…Fixed delay, lower power, non volatile

Blank

FPGA Architecture

Concept Explainer:
Modern FPGAs (e.g., Xilinx, Altera/Intel) are based on a grid of Configurable Logic Blocks (CLBs) surrounded by I/O and routing resources.
center

1. The Logic Cell (BLE)

The fundamental building block containing:

  • LUT (Look-Up Table): Implements arbitrary boolean logic ( RAM).
  • D-Flip-Flop (DFF): Provides sequential logic (storage).
  • Mux: Selects between combinatorial (LUT out) or sequential (DFF out) output.
    center

LUT Math

A -input LUT can implement any boolean function of variables.

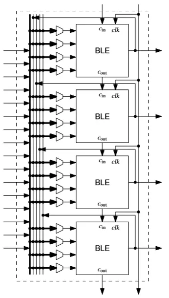
2. The Configurable Logic Block

center

3. Routing Fabric

  • Connection Box (CB): Connects CLB pins to the routing tracks.
  • Switch Box (SB): Connects horizontal and vertical routing tracks (the β€œhighway” interchanges).
    center

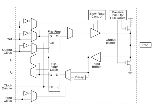
4. Connection to outer world: IOB

It Uses a tri-state buffer to select whether to be input or output
center

4. Specialized Hardware

FPGAs include hard IP to offload general logic:

  • DSP Blocks: MAC operations () for filters/FFT.
  • Block RAM (BRAM): On-chip memory (KB to MB).
  • Hard Cores: Physical CPUs (e.g., ARM Cortex-A9 in Zynq) embedded in silicon.

SoPC & Nios V

BIG PICTURE

System on Programmable Chip (SoPC) integrates a soft-core processor (like Nios V) with custom hardware IP on a single FPGA. This chapter focuses on tailoring the processor architecture (RISC-V based) and memory hierarchy to meet specific real-time constraints that standard microcontrollers cannot handle.

Multicolumn

Blank

Nios V Architecture

Concept Explainer:
Nios V is a soft-core processor based on the RISC-V ISA (Instruction Set Architecture). Being β€œsoft” means it is synthesized from HDL, allowing designers to configure features (cache, pipeline, multipliers) to trade off area (LEs) vs. performance.

Processor Variants

FeatureNios V/cNios V/mNios V/g
TargetCompactMicrocontrollerGeneral Purpose
PipelineNone5-Stage5-Stage
ISARV32IRV32IZicsrRV32IM…
CacheNoNoI/D Cache
MMU/FPUNoNoOptional
Perf/AreaLow/TinyMed/SmallHigh/Large

Custom Instructions

Concept Explainer:
You can extend the ALU with custom hardware logic (VHDL/Verilog). The CPU treats these as native assembly instructions.

  • Speedup: 10x–100x for math-heavy tasks (CRC, bit shuffling).
  • Mechanism: Takes up to 2 register inputs, returns 1 result.

Blank

Memory Hierarchy

Concept Explainer:
SoPC performance depends heavily on memory interfaces. Nios V uses a Harvard Architecture (separate Instruction/Data masters) implemented over AXI4 or Avalon-MM.

Tightly Coupled Memory (TCM)

Fast, on-chip SRAM directly connected to the processor core, bypassing caches.

  • Latency: Deterministic (1 cycle).

  • Use Case: Critical ISRs (Interrupt Service Routines), real-time data buffers.

  • Contrast: Unlike Cache, TCM addresses are fixed and guaranteed.

Performance Rule TCM for code/data that must meet hard real-time deadlines. Use Cache + SDRAM for bulk application storage.

Use

Interrupts (IRQ)

  • CLINT/CLIC: Core-Local Interrupt Controller.
  • Mechanism: Peripherals (Timer, PIO) assert irq signals β†’ CPU pauses β†’ jumps to ISR in vector table.
  • Constraint: ISR code should be kept in TCM for instant response.

1: Overview on the Avalon Interconnect Fabric

BIG PICTURE

The Avalon interconnect fabric is an open standard that defines multiple interface modes for connecting soft IP components in a System-on-a-Programmable-Chip (SoPC), ensuring IP interoperability.

Multicolumn

Blank

Avalon Interface Overview

Concept Explainer: The Avalon interconnect fabric is a method for connecting soft IP components and is an open standard defining multiple interface modes to handle all interactions of IPs within a SoPC.

Interaction Modes Used in SoPCs:

  • Clock Interface: Methods to clock synchronous elements (e.g., Avalon Clock Interface).
  • Conduit Interface: For asynchronous communication and sharing connections (e.g., Avalon Conduit Interface).
  • Streaming (ST): For transferring data as fast as possible (e.g., Avalon-ST).
  • Interrupt Interface: Method to handle hardware interrupts (e.g., Avalon Interrupt Interface).
  • Tri-State Connection (TC): Method to share a connection between multiple external elements to reduce I/Os (e.g., Avalon-TC).
  • Memory-Mapped (MM): To realize host/agent (master/slave) interactions for memory access and control register communication (e.g., Avalon-MM).

The Purpose of an Avalon Conduit Interface

Concept Explainer: Avalon Conduit interfaces group an arbitrary collection of signals for asynchronous communication. They are typically used to drive off-chip device signals (e.g., SDRAM control signals).

Critical Highlight: When connecting conduits, roles and widths must match, and directions must be opposite.

Signal RoleWidthDirectionDescription
anyarbitraryin, out, bidirectionalA conduit consists of one or more input, output, or bidirectional signals of arbitrary width and any user-specified role.

Attach Custom IP to Avalon-MM

Concept Explainer: Avalon-MM provides a method to transfer data from software (host/master) to a custom IP (agent/slave) over the Avalon fabric.

Transfer Types:

  • A transfer is a read or a write operation.
  • The interface is synchronous.

Communication Model (Polling):

  • Also known as software-driven I/O.
  • Used for interacting with slow external elements.
  • Simple, uses few signals, but results in CPU busy-wait.

Avalon-MM Transfer Modes: Fixed-cycle delay, dynamic-delay, and burst-transfer modes.

Agents can stall the transfer:

  • Using the waitrequest signal (dynamic delay). If used for one, must be used for both read/write.
  • Using fixed wait-states (readWaitTime/writeWaitTime), making waitrequest unnecessary.

Blank

AVALON-MM ELEMENTS

Supported elements include: Microprocessors, Memories, UARTs, DMAs, Timers, and Custom IPs.

center

FIXED-CYCLE DELAY: Read Transfer ( readWaitTime = 1)

  1. Cycle 1 Start: Host asserts address and read.
  2. Cycle 2 Start: Marks the end of the wait-state cycle.
  3. Cycle 3 Start: Agent asserts readdata and response. Read transfer ends.

FIXED-CYCLE DELAY: Write Transfer ( writeWaitTime = 2)

  1. Cycle 4 Start: writedata, address, byteenable, and write are asserted.
  2. Cycle 7 Start: The write transfer ends after 2 wait state cycles.

center

DYNAMIC DELAY: Read Transfer ( waitrequest used)

  1. Cycle 1 Start: Host asserts read/address. Agent asserts waitrequest to stall.
  2. Cycle 2 Start: Wait state sampled; host signals constant.
  3. Cycle 3 Start: Agent deasserts waitrequest.
  4. Cycle 4/5 Start: Deasserted waitrequest sampled; transfer complete. Agent asserts readdata/response.

DYNAMIC DELAY: Write Transfer ( waitrequest used)

  1. Cycle 4/5 End: Host asserts write/address. Agent asserts waitrequest.
  2. Cycle 6 Start: Agent deasserts waitrequest.
  3. Cycle 7 Start: Agent captures writedata, ending the transfer.

Avalon-MM Agent Signal Roles

Concept Explainer: An Avalon-MM agent interface uses signals corresponding to unique signal roles.

Critical Highlight: Active low signals end with _n (e.g., reset_n).

Signal RoleWidthDirectionDescription
clk1InputClock signal.
reset, reset_n1InputResets internal logic.
address1-32Host AgentByte address (Host), converted to word address (Agent).
read, read_n1Host AgentAsserted for a read transfer.
readdata8, 16, 32, …Agent HostRead data from agent.
write, write_n1Host AgentAsserted for a write transfer.
writedata8, 16, 32, …Host AgentData for write transfer.
waitrequest, waitrequest_n1Agent HostAsserted by agent to halt transfer until ready.

The PIO-IP as example of an Avalon-MM Agent

BIG PICTURE

The PIO (Parallel Input Output) IP serves as an example to demonstrate the design and integration of a custom, configurable IP block into an SoPC using the Avalon-MM interface and VHDL.

Multicolumn

Blank

PIO Design Specifications (Specs)

Concept Explainer: The PIO-IP is a configurable 8-bit parallel port for external elements (LEDs, buttons). It supports bidirectional communication with per-bit software-programmable direction.

Key Features:

  • Bidirectional: Fixed size of one byte (8 pins).
  • Programmable Direction: Set per pin via software (SW).
  • IRQ Generator: Core is extendable with an IRQ generator.

Register Model Registers:

  • RegDir (Control): Sets direction (0: input 1: output). Read/write access. Default is input.
  • RegPort (Data): Stores the output value. Read/write access.
  • RegPin: Reads the current state of the external port pins. Read-only.
  • RegSet: Write sets specified bits of RegPort to β€˜1’ (OR operation).
  • RegClr: Write sets specified bits of RegPort to β€˜0’ (AND NOT operation).

Programmable Interface Design Method

Concept Explainer: The design follows a structured flow from hardware signal identification (VHDL entity) to a software-accessible register model and final VHDL architecture development.

Design Steps:

  1. Identify I/Os: Define the VHDL entity signals.
  2. Define Register Model: The HW/SW interface (Control, Status, Data registers). Avoid unnecessary hardware complexity.
  3. Create Architecture: Implement control logic and data paths (e.g., derive outputs from registers, write registers from inputs).

PIO VHDL Entity (Interface)

Concept Explainer: The VHDL entity defines all external connections. The signals are derived from the IP block diagram.

Signal Declarations: Use only std_logic and std_logic_vector.
center
VHDL Entity Code:

library ieee;
use ieee.std_logic_1164.all;
 
entity SimplePIO is
port (
  -- Avalon interfaces signals
  Clk_CI          : in  std_logic;
  Reset_RLI       : in  std_logic;
  Address_DI      : in  std_logic_vector (2 DOWNTO 0);
  Read_SI         : in  std_logic;
  ReadData_DO     : out std_logic_vector (7 DOWNTO 0);
  Write_SI        : in  std_logic;
  WriteData_DI    : in  std_logic_vector (7 DOWNTO 0);
  
  -- Parallel Port external interface
  ParPort_DIO     : INOUT std_logic_vector (7 DOWNTO 0)
);
end entity SimplePIO;

PIO Register Address Map

Concept Explainer: The PIO requires 3 address bits for to addressing. NIOS II uses 4-byte word alignment.

AddrWrite NameWrite Reg [7..0]Read NameRead Reg [7..0]
RegDirRegDirRegDirRegDir
-Don’t careRegPinParPort
RegPortRegPortRegPortRegPort
RegSetRegPort-
RegClrRegPort-
-Don’t care-
-Don’t care-
-Don’t care-

Blank

VHDL Architecture (noWait)

Concept Explainer: The architecture binds the entity signals to internal components (RegDir_D, RegPort_D, RegPin_D) using internal signals.

Register Write Logic (pRegWr)

Detailed Explanation: This synchronous process handles reset and register writes on the rising clock edge when Write_SI is active. It implements the address decoder based on the register map.

pRegWr: process(Clk_CI, Reset_RLI)
begin
if (Reset_RLI = '0') then
  -- Default: Input by default
  RegDir_D <= (others => '0');
  RegPort_D <= (others => '0');
elsif rising_edge(Clk_CI) then
  if Write_SI = '1' then
    case Address_DI(2 downto 0) is
      when "000" => RegDir_D <= WriteData_DI;
      when "010" => RegPort_D <= WriteData_DI;
      when "011" => RegPort_D <= RegPort_D OR WriteData_DI;
      when "100" => RegPort_D <= RegPort_D AND NOT WriteData_DI;
      when others => null; -- Handles invalid address patterns
    end case;
  end if;
end if;
end process pRegWr;

Read Data Logic (Fixed Zero Cycle Delay)

Detailed Explanation: This approach yields a purely combinatorial output with a fixed zero-cycle delay. The interconnect layer will handle synchronization.

-- Read from registers with wait 0
ReadData_DO <= RegDir_D when Address_DI = "000" else
               RegPin_D when Address_DI = "001" else
               RegPort_D when Address_DI = "010" else
               (others => '0');

Read Data Logic (Fixed One Cycle Delay)

Detailed Explanation: This synchronous process implements a fixed one-cycle delay by registering the output value, storing it before it travels to the host.

pRegRd: process(Clk_CI)
begin
if rising_edge (Clk_CI) then
  ReadData_DO <= (others => '0');
  if Read_SI = '1' then
    case Address_DI (2 downto 0) is
      when "000" => ReadData_DO <= RegDir_D;
      when "001" => ReadData_DO <= RegPin_D;
      when "010" => ReadData_DO <= RegPort_D;
      when others => null;
    end case;
  end if;
end if;
end process pRegRd;

Parallel Port I/O Logic (pPort)

Detailed Explanation: Implements the software-controlled tri-state logic for each pin using a tri-state output buffer and input buffer. Output mode is set by RegDir_D(i) = '1'; input mode (set by β€˜0’) results in high impedance (β€˜Z’).
center

pPort: process (RegDir_D, RegPort_D)
begin
for idx in 0 to 7 loop
  if RegDir_D(idx) = '1' then -- Output mode (1)
    ParPort_DIO (idx) <= RegPort_D(idx);
  else -- Input mode (0)
    ParPort_DIO (idx) <= 'Z'; -- High-impedance output
  end if;
end loop;
end process pPort;
 
-- Parallel Port Input value capture
RegPin_D <= ParPort_DIO;

LCD Controller Design

BIG PICTURE

Interfacing an LCD requires translating fast, synchronous bus cycles (Avalon) into slower, specific timing waveforms (8080 Parallel Interface). This chapter applies FSM design to strictly adhere to setup/hold times of external controllers (ILI9341).

Multicolumn

Blank

ILI9341 8080 Interface

Concept Explainer:
The LCD controller uses a 16-bit parallel β€œ8080-series” interface. It is asynchronous but requires strict timing adherence.

Physical Signals

  • CSX (Chip Select): Active low.
  • WRX (Write): Rising edge latches data on D[15:0].
  • RDX (Read): Active low output enable.
  • D/CX (Data/Command):
    • 0: Command (Register Index).
    • 1: Data (Parameter or Pixel color).
  • D[15:0]: Bidirectional data bus.

12.2: Register Model

Concept Explainer:
To simplify firmware, the IP exposes the LCD interface as simple registers.

  • Cmd Register: Writes drive D/CX=0 + WRX pulse.
  • Data Register: Writes drive D/CX=1 + WRX pulse.
  • 16-bit Color (RGB565): 5 bits Red, 6 bits Green, 5 bits Blue.

Blank

Timing & FSM Design

Concept Explainer:
The FPGA is much faster (50-100 MHz) than the LCD controller cycle time (~66ns Write cycle). The IP must use waitrequest to stall the CPU while generating slow waveforms.

Timing Constraints

Critical Parameters

  • (Data Setup): Data stable before WRX rises.
  • (Data Hold): Data stable after WRX rises.
  • / : Min pulse width for Low/High.

State Machine Logic

  1. Idle: Wait for Avalon write. Assert waitrequest.
  2. Setup: Drive D[15:0], D/CX, CSX=0. Wait .
  3. Active: Drive WRX=0. Wait .
  4. Hold: Drive WRX=1. Maintain Data. Wait .
  5. Finish: Release waitrequest. Return to Idle.
-- Simplified FSM Output
case state is
  when SETUP => WRX <= '1'; CSX <= '0';
  when PULSE => WRX <= '0'; -- Latch on rising edge next
  when HOLD  => WRX <= '1';
end case;

Direct Memory Access (DMA)

BIG PICTURE

Copying large data buffers (like images) using the CPU is inefficient (polling/busy-wait). DMA introduces a dedicated hardware unit to master the bus, transferring data between memory and peripherals independently, freeing the CPU for higher-level tasks.

Multicolumn

Blank

The Bottleneck

Concept Explainer:
Programmed I/O (PIO): CPU reads source β†’ register β†’ writes dest.

  • Overhead: Fetch instruction, increment pointers, check status loop.
  • Result: CPU utilization 100% during transfer.

DMA Solution:

  • CPU configures DMA (Src, Dst, Len).
  • DMA asserts Bus Request β†’ Masters Bus β†’ Copies Block.
  • DMA asserts IRQ when done.

13.2: Transfer Types

  1. Memory-to-Memory: memcpy acceleration. Both addresses increment.
  2. Memory-to-Peripheral: Bulk data to Fixed address (e.g., LCD Data Register).
  3. Peripheral-to-Memory: Data logging from ADC/UART.

Blank

DMA Controller Registers

Concept Explainer:
The DMA IP acts as an Avalon-MM Host (to read/write memory) and an Avalon-MM Agent (to be configured by CPU).

Standard Register Map

OffsetRegisterDescription
0x0StatusFlags: done, busy, len (length zero).
0x1ControlEnable bits: go, irq_en, word/byte.
0x4SrcAddrRead pointer.
0x5DstAddrWrite pointer.
0x6LengthNumber of bytes to transfer.

Configuration Sequence

  1. Write SrcAddr (e.g., Image Buffer in SDRAM).
  2. Write DstAddr (e.g., LCD IP Base + Offset).
  3. Write Length (pixels 2 bytes).
  4. Write Control (Word size, Enable IRQ, GO).

Cache Coherency

Critical Highlight:
DMA bypasses the CPU cache.

  • Problem: CPU writes to Cache, DMA reads old data from RAM.
  • Fix: Flush Data Cache (d-cache) before starting DMA TX. Invalidate Cache after DMA RX.